PIR sensor
What is PIR sensor?¶
PIR stands for Passive Infrared sensor. It senses motion. It detects infrared (IR) radiation emitted by objects in their surrounding environment. These are small, inexpensive, low-power, and easy to use. Since they are contactless, they don't wear out. For that reason, they are commonly found in appliances and gadgets used in homes or businesses.

Working principle of PIR sensor¶
All objects with a temperature above absolute zero (0 Kelvin) emit infrared radiation as heat. PIR sensors detect changes in this infrared radiation.

PIR Detection element¶
PIR sensors consist of a detection element made of a crystalline material that generates an electrical signal when exposed to IR radiation. This material is often made from pyroelectric materials, which generate a voltage proportional to the temperature change. This detection element can only detect IR; to detect other colors of visible light color sensor may be used.
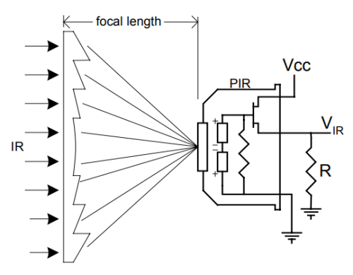
Dual sensor setup of PIR¶
PIR sensors typically consist of two or more sensing elements arranged in a specific pattern. The reason is to detect motion (change), not average IR levels. The two or more sections are wired up to cancel each other out. If one section sees more or less IR radiation than the other, the output will swing high or low.
Detection zones of PIR¶
The sensor's arrangement creates multiple detection zones. When an object within the sensor's field of view moves across these zones, it causes a temperature difference in the sensor's elements, generating a voltage change as shown in Fig 2.
Fresnal lens¶


A Fresnel lens (pronounced Frennel) is a Plano Convex lens that has collapsed on itself to form a flat lens that retains its optical characteristics but is very thin and light. These lenses in the PIR sensor are made of polyethylene, letting the IR pass through it and focus on the sensor without taking too much space and weight. It is designed to have its grooves facing the IR sensing element so that a smooth surface is presented to the subject side of the lens, which is usually the outside of an enclosure that houses the sensor.
Signal processing¶
The voltage changes generated by the sensing elements are converted into electrical signals. Signal processing circuitry within the PIR sensor kit processes these signals to determine the presence and movement of objects.
Output signal¶
PIR sensor kits usually provide a digital output signal that indicates whether motion has been detected. This signal can trigger other devices, such as turning on lights or activating an alarm system.
PIR elements (also available as standalone units) provide analog output as shown in Fig 3.
Applications of PIR sensors¶
- Security Systems: PIR sensors are extensively used in security systems to detect intruders or unauthorized movement within a protected area. When the sensor detects motion, it can trigger alarms, notify security personnel, or activate video surveillance cameras.
- Motion-Activated Lighting: PIR sensors are commonly used in outdoor lighting systems, such as security lights or pathway lights. They can automatically turn on lights when someone enters the sensor's range and turn them off when the area is vacant. This helps conserve energy and enhances convenience.
- Home Automation: PIR sensors play a key role in home automation systems. They can be used to automate tasks like turning on lights, adjusting thermostats, or activating entertainment systems based on the presence or absence of occupants in different rooms.
- Automatic Doors: PIR sensors are integrated into many automatic door systems. They detect when a person approaches the door and triggers it to open, providing a hands-free and convenient access solution.
- Industrial Automation: PIR sensors can be utilized in industrial settings to detect the presence of workers or machinery in specific zones. This can contribute to improved safety and workflow management.
- Smart Appliances: PIR sensors can be integrated into appliances like hand dryers or soap dispensers to provide touchless operation, promoting hygiene.
- Wildlife Monitoring: PIR sensors are used in wildlife monitoring systems to detect the presence of animals in specific areas. This can be valuable for tracking animal behavior and conducting research.